2025年08月15日 18:58:02 来源:上海戎钛阀门制造有限公司 >> 进入该公司展台 阅读量:15
400X流量控制阀的工作原理及技术参数
400X流量控制阀/400X先导式流量控制阀/400X不锈钢流量控制阀是一种采用高精度先导式方式控制流量的多功能阀门。适用于配水管需控制流量和压力的管道中,保持预定流量不变,将过大流量限制在一个预定直,并将上游高压适当减低,即使主阀上游的压力发生变化,也不会影响主阀下游的流量。该阀一改常规节流阀使用孔板或纯机械地减小流域面积的原理,利用相关导阀,大限度地减少能力在节流过程中的损失。如遇紧急情况流量控制阀400X可以截止流量,避免损失。控制灵敏度高,安全可靠,调试简便,使用寿命长。
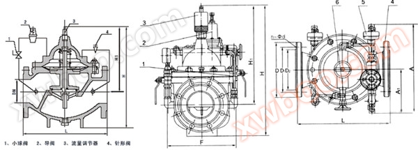
结构特点:
流量控制阀400X由主阀、流量调节阀、针阀、导阀、球阀、微形过滤器和压力表组成水力控制接管系统。利用水力自动操作,控制和调节主阀开度,使通过主阀的流量保持不变。
本产品利用水力自力控制,不需要其它装置和能源,保养简便,流量控制稳定。本系列阀门产品广泛用于高层建筑、生活区等供水管网系统及城市供水工程。
工作原理:
当阀门从进口端给水时,水流过针阀进入主阀控制室,并经过导阀、球阀流出主阀控制室到出口,此时主阀处于全开或浮动状态。调定主阀上部的流量调节阀,可为主阀设定一定开度。调节针阀开度和调节导阀弹簧压力,即可使主阀开度保持在设定开度,并在压力变化时导阀进行自动调节,保持流量不变。
技术参数:
公称压力(Mpa) | 壳体试验压力(Mpa) | 密封试验压力(Mpa) | 出口可调压力(Mpa) | 适用介质 | 介质温度 |
1.0 | 1.5 | 1.1 | 0.09-0.8 | 水 | 0~80℃ |
1.6 | 2.4 | 1.76 | 0.10-1.2 | ||
2.5 | 3.75 | 2.75 | 0.12-1.6 |

外形尺寸表:
DN | 20 | 25 | 32 | 40 | 50 | 65 | 80 | 100 | 125 | 150 | 200 | 250 | 300 | 350 | 400 | 450 |
L | 150 | 160 | 180 | 200 | 203 | 216 | 241 | 292 | 330 | 356 | 495 | 622 | 698 | 787 | 914 | 978 |
H1 | 247 | 247 | 247 | 278 | 278 | 298 | 313 | 350 | 365 | 420 | 450 | 470 | 490 | 526 | 570 | 570 |
H | 342 | 342 | 342 | 395 | 395 | 405 | 430 | 510 | 560 | 585 | 675 | 730 | 760 | 840 | 910 | 910 |
产品用途:
流量控制阀400X通过设定阀门相关导阀及流量调节阀,保持管路预定流量不变,将过大流量限制在一个预定值。即使主阀上游的压力发生变化,也不会影响主阀下游的流量。能大限度减少能量在节流过程中的损失。该阀灵敏度高,性能稳定,调节方便,使用寿命长。适用于配水管需控制流量和压力的管路系统。
安装示意图:


![]() | ![]() |
![]() | ![]() |